Manicotti protettivi per cavi Ø=16 mm
PA, naturale
Articolo n. 300002798 / vecchio numero d'articolo: 0171160
0,24 €
da 500
0,24 € / pezzo
da 1000
0,17 € / pezzo
Quantità minima d'ordine: 500
RoHS
conforme RoHS
colore
natura
materiale
PA 6
numero di tariffa doganale
39269097
paese d'origine
Gran Bretagna
peso
0,53 g
vecchio numero di articolo
0171160
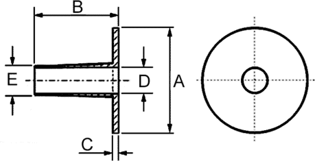
altezza
20 mm
altezza del gambo
1,5 mm
diametro del gambo
16,0 mm
diametro esterno
7,0 - 8,0 mm
diametro interno
6,0 mm
Datenblatt 300002798
Scheda tecnica 300002798
Fiche technique 300002798
Datasheet 300002798

